Ваш город:
Нижневартовск
Ваш город Нижневартовск?
Да Выбрать другой
Заказать звонок
Фильтр

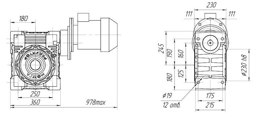
Цилиндро-червячный мотор-редуктор 6МЦЧ-160

Описание

С опорным фланцем

 

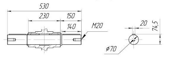
Вариант исполнения конца тихоходного вала

Выходной вал двухсторонний

Назад
Выбор города