Ваш город:
Нижневартовск
Ваш город Нижневартовск?
Да Выбрать другой
Заказать звонок
Фильтр

Цилиндро-червячные редукторы ЦЧ2-63/100, ЦЧ2-63/125, ЦЧ2-80/125, ЦЧ2-80/160

Описание

iN n1 n2 ЦЧ2-63/100 ЦЧ2-63/125 ЦЧ2-80/125 ЦЧ2-80/160
Р1 Т2 η Р1 Т2 η Р1 Т2 η Р1 Т2 η
мин-1 кВт Н.м кВт Н.м кВт Н.м кВт Н.м
125 (2х8х8) 1500 12 1,8 762 0,75 1,5 920 0,76 2,2 1407 0,77 4,2 2686 0,78
1000 8 1,3 797 0,74 1,3 1224 0,75 1,6 1522 0,76 3,1 2881 0,77
750 6 1 817 0,73 1,2 1464 0,74 1,3 1551 0,75 2,4 2943 0,76
160 (2,5х8х8) 1500 9,38 1,5 783 0,75 1,5 1192 0,76 1,9 1478 0,77 3,5 2805 0,78
1000 6,25 1 813 0,74 1,3 1464 0,75 1,3 1547 0,76 2,5 2933 0,77
750 4,69 0,8 829 0,73 0,9 1500 0,74 1 1563 0,75 1,9 2973 0,76
200 (3,15х8х8) 1500 7,5 1,2 800 0,74 1,4 1360 0,75 1,6 1533 0,76 2,9 2900 0,79
1000 5 0,8 827 0,73 0,9 1470 0,74 1,1 1560 0,75 2 2967 0,78
750 3,75 0,6 840 0,72 0,82 1490 0,73 0,85 1573 0,74 1,5 3000 0,77
250 (2х8х16) 1500 6 0,7 875 0,72 1,4 1633 0,73 1,4 1633 0,73 2,3 2906 0,77
1000 4 0,5 898 0,71 1 1725 0,72 1 1725 0,72 1,8 3205 0,75
750 3 0,4 909 0,7 0,8 1751 0,71 0,8 1751 0,71 1,4 3277 0,74
315 (2,5х8х16) 1500 4,76 0,6 889 0,72 1,1 1689 0,73 1,1 1689 0,73 2 3089 0,77
1000 3,17 0,4 907 0,71 0,8 1747 0,72 0,8 1747 0,72 1,4 3267 0,75
750 2,38 0,3 915 0,7 0,6 1763 0,71 0,6 1763 0,71 1,1 3307 0,74
400 (3,15х8х16) 1500 3,75 0,5 900 0,69 1 1733 0,71 1 1733 0,71 1,8 3233 0,72
1000 2,5 0,3 913 0,68 0,7 1760 0,69 0,7 1760 0,7 1,2 3300 0,71
750 1,88 0,3 920 0,67 0,5 1773 0,67 0,5 1773 0,69 0,9 3333 0,7
500 (2х16х16) 1500 3 0,5 909 0,62 0,8 1751 0,64 0,8 1751 0,65 1,5 3277 0,68
1000 2 0,3 919 0,61 0,6 1772 0,63 0,6 1772 0,64 1 3330 0,67
750 1,5 0,2 925 0,6 0,4 1783 0,62 0,4 1783 0,63 0,8 3357 0,66
630 (2,5х16х16) 1500 2,38 0,4 915 0,62 0,7 1763 0,63 0,7 1763 0,65 1,2 3307 0,68
1000 1,59 0,2 923 0,61 0,5 1780 0,62 0,5 1780 0,64 0,8 3350 0,67
750 1,19 0,2 927 0,6 0,2 1121 0,61 0,2 1121 0,63 0,6 3370 0,66
800 (3,15х16х16) 1500 1,88 0,3 920 0,61 0,6 1773 0,62 0,6 1773 0,62 1 3333 0,67
1000 1,25 0,2 927 0,6 0,4 1787 0,61 0,4 1787 0,61 0,7 3367 0,66
750 0,94 0,2 930 0,59 0,3 1793 0,6 0,3 1793 0,6 0,5 3383 0,65
1000 (4х16х16) 1500 1,5 0,2 925 0,58 0,5 1783 0,61 0,4 1783 0,62 0,8 3357 0,66
1000 1 0,2 929 0,56 0,3 1792 0,58 0,3 1792 0,6 0,5 3380 0,64
750 0,75 0,1 932 0,55 0,3 1797 0,56 0,2 1797 0,59 0,4 3393 0,63
1250 (2,5х16х31,5) 1500 1,2 0,2 981 0,58 0,4 1907 0,59 0,4 1907 0,62 0,7 3525 0,66
1000 0,8 0,1 990 0,56 0,3 1950 0,57 0,3 1950 0,6 0,5 3560 0,64
750 0,6 0,1 994 0,55 0,2 1970 0,56 0,2 1970 0,59 0,4 3576 0,63
1600 (3,15х6х31,5) 1500 0,94 0,2 987 0,57 0,3 1933 0,6 0,3 1933 0,61 0,5 3547 0,66
1000 0,63 0,1 993 0,55 0,2 1967 0,59 0,2 1967 0,59 0,4 3573 0,64
750 0,47 0,1 997 0,54 0,2 1983 0,58 0,2 1983 0,58 0,3 3587 0,63
2000 (4х16х31,5) 1500 0,75 0,2 991 0,52 0,3 1957 0,57 0,3 1957 0,6 0,5 3565 0,61
1000 0,5 0,1 996 0,49 0,2 1980 0,56 0,2 1980 0,58 0,3 3584 0,6
750 0,38 0,1 999 0,48 0,1 1993 0,55 0,1 1993 0,57 0,3 3595 0,58
2500 (2,5х31,5х31,5) 1500 0,6 0,1 994 0,52 0,2 1970 0,56 0,2 1970 0,6 0,4 3576 0,61
1000 0,4 0,1 998 0,49 0,2 1990 0,54 0,1 1990 0,58 0,3 3576 0,6
750 0,3 0,1 1000 0,48 0,1 2000 0,53 0,1 2000 0,57 0,2 3600 0,58
3150 (3,15х31,5х31,5) 1500 0,48 0,1 997 0,52 0,2 1983 0,54 0,2 1983 0,6 0,3 3587 0,61
1000 0,32 0,1 1000 0,49 0,1 2000 0,53 0,1 2000 0,58 0,2 3587 0,6
750 0,24 0,1 1001 0,48 0,1 2007 0,52 0,1 2007 0,57 0,2 3605 0,58
4000 (4х31,5х31,5) 1500 0,38 0,1 999 0,48 0,2 1993 0,5 0,2 1993 0,51 0,3 3595 0,52
1000 0,25 0,1 1001 0,45 0,1 2007 0,46 0,1 2007 0,46 0,2 3605 0,5
750 0,19 0,1 1003 0,44 0,1 2013 0,45 0,1 2013 0,45 0,2 3611 0,48
5000 (4х40х31,5) 1500 0,3 0,1 1001 0,48 0,1 2003 0,5 0,1 2003 0,51 0,2 3603 0,52
1000 0,2 0,1 1003 0,45 0,1 2013 0,46 0,1 2013 0,46 0,2 3611 0,5
750 0,15 0,04 1003 0,44 0,1 2017 0,45 0,1 2017 0,45 0,1 3613 0,48
6300 (5х40х31,5) 1500 0,24 0,1 1001 0,39 0,1 2007 0,42 0,1 2007 0,43 0,2 3605 0,46
1000 0,16 0,1 1003 0,36 0,1 2017 0,41 0,1 2017 0,43 0,1 3613 0,44
750 0,12 0,04 1004 0,35 0,1 2020 0,4 0,1 2020 0,41 0,1 3616 0,42
8000 (5х40х40) 1500 0,19 0,1 868 0,35 0,1 1703 0,37 0,1 1703 0,39 0,2 3204 0,41
1000 0,13 0,03 870 0,34 0,1 1707 0,36 0,1 1707 0,38 0,1 3210 0,4
750 0,09 0,03 871 0,34 0,1 1708 0,35 0,1 1708 0,37 0,1 3212 0,39
10000 (5х50х40) 1500 0,15 0,04 869 0,34 0,1 1705 0,35 0,1 1705 0,37 0,1 3208 0,41
1000 0,1 0,03 871 0,33 0,1 1708 0,34 0,1 1708 0,36 0,1 3212 0,4
750 0,08 0,02 871 0,32 0,04 1709 0,33 0,04 1709 0,35 0,1 3214 0,39
12500 (5х50х50) 1500 0,12 0,03 769 0,33 0,1 1469 0,34 0,1 1469 0,35 0,1 2908 0,39
1000 0,08 0,02 771 0,32 0,04 1471 0,33 0,04 1471 0,35 0,1 2912 0,39
750 0,06 0,02 771 0,31 0,03 1471 0,32 0,03 1471 0,35 0,1 2914 0,39

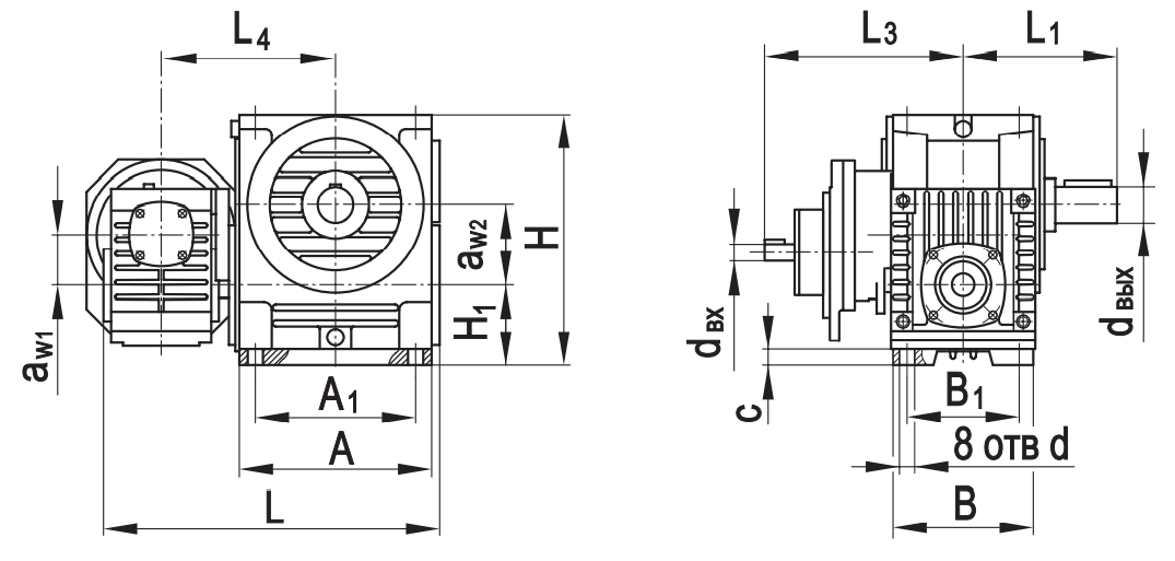
Габаритные размеры редуктора на лапах

Типоразмер аW1 аW2 А А1 В В1 L* L1* L2max L3* L3 Н Н1 сd d вх dвых
ЦЧ2-63/100 63 100 240 200 175 140 420 225 697 242 221 312 100 18 19 22 45
ЦЧ2­-63/125 63 125 275 230 230 190 455 230 702 242 235 396 111 22 19 22 55
ЦЧ2­-80/125 80 125 275 230 230 190 510 230 722 292 310 396 111 22 19 35 55
ЦЧ2-80/160 80 160 350 300 280 230 590 280 772 292 345 500 140 30 22 35 70

* Размеры приведены без учёта длины резьбового конца вала исполнения К2. 

 

Габаритные размеры редуктора на фланце

Типоразмер аW1 аW2 D D1 D2 H L* L1 L2max L3* L7 L8*с 1 с2 d1 dвх dвых n
ЦЧ2Ф- 63/100 63 100 260 190 225 312 420 225 697 242 150 265 12 5 12 22 45 6
ЦЧ2Ф­-63/125 63 125 300 230 270 396 455 230 702 242 170 285 16 5 15 22 55 6
ЦЧ2Ф-80/125 80 125 300 230 270 396 510 230 722 292 170 285 16 5 15 25 55 6
ЦЧ2Ф­-80/160 80 160 360 280 325 500 590 280 772 292 200 345 20 5 19 25 70 6

* Размеры приведены без учёта длины резьбового конца вала исполнения К2. 

Варианты сборки

Назад
Выбор города