Ваш город:
Нижневартовск
Ваш город Нижневартовск?
Да Выбрать другой
Заказать звонок
Фильтр

ЦИЛИНДРИЧЕСКИЕ РЕДУКТОРЫ Ц2-650МР3, Ц2-750МР3

Описание

Типоразмер

Ц2-650МРЗ

Номинальное передаточное отношение, i

8

10

12,5

16

20

25

31,5

40

50

Номинальный крутящий момент на тихоходном валу, Т, Нxм

Режим работы

Непрерывный (ПВ 100%)

15500

14500

16000

15000

Легкий (ПВ 15%)

40000

43700

57500

Средний (ПВ 25%)

26500

25000

32500

33500

Тяжелый (ПВ 40%)

18000

14500

15000

16000

15000

Номинальная частота вращения быстроходного вала, с-1 (об/мин)

16,6 (1000)

25 (1500)

Номинальная радиальная консольная нагрузка, приложенная в середине посадочной поверхности конца вала, Н

быстроходного

Режим работы

Непрерывный(ПВ 100%)

5500

4700

3300

3100

2800

2400

2100

Легкий (ПВ 15%)

7800

7000

6500

5700

5000

4500

4000

Средний (ПВ 25%)

6250

5600

3600

Тяжелый (ПВ 40%)

5900

4700

3400

2800

2400

2100

тихоходного

Непрерывный (ПВ 100%)

30000

Легкий (ПВ 15%)

50000

52000

57000

Средний (ПВ 25%)

40000

45000

Тяжелый (ПВ 40%)

33500

30000

Масса, кг

1170

Ориентировочный объем масла, л. 48

Типоразмер

Ц2-750МРЗ

Номинальное передаточноеотношение, i

8

10

12,5

16

20

25

31,5

40

50

Номинальный крутящий момент на тихоходном валу, Т, Нxм

Режимработы

Н (ПВ 100%)

24300

22500

20600

Л (ПВ 15%)

58000

67000

73000

С (ПВ 25%)

43000

47500

53000

Т (ПВ 40%)

30500

27200

25000

Номинальная частота вращения быстроходного вала, с-1 (об/мин)

16,6 (1000)

25 (1500)

Номинальная радиальная консольная нагрузка, приложенная в середине посадочной поверхности конца вала, Н

быстроходн.

Режим работы

Н (ПВ 100%)

6800

6100

5300

4600

4100

3700

3300

2800

2500

Л (ПВ 15%)

10600

9500

8500

7500

6700

6400

5700

5300

4700

С (ПВ 25%)

9100

8100

7300

6400

5700

5400

4800

4500

4000

Т (ПВ 40%)

7700

6900

5800

5100

4600

4100

3600

3100

3700

тихоходн.

Н (ПВ 100%)

38900

37500

35800

Л (ПВ 15%)

60200

64700

67500

С (ПВ 25%)

51800

54400

57500

Т (ПВ 40%)

43600

41200

39500

Масса, кг

1650

Ориентировочный объем масла, л. 50

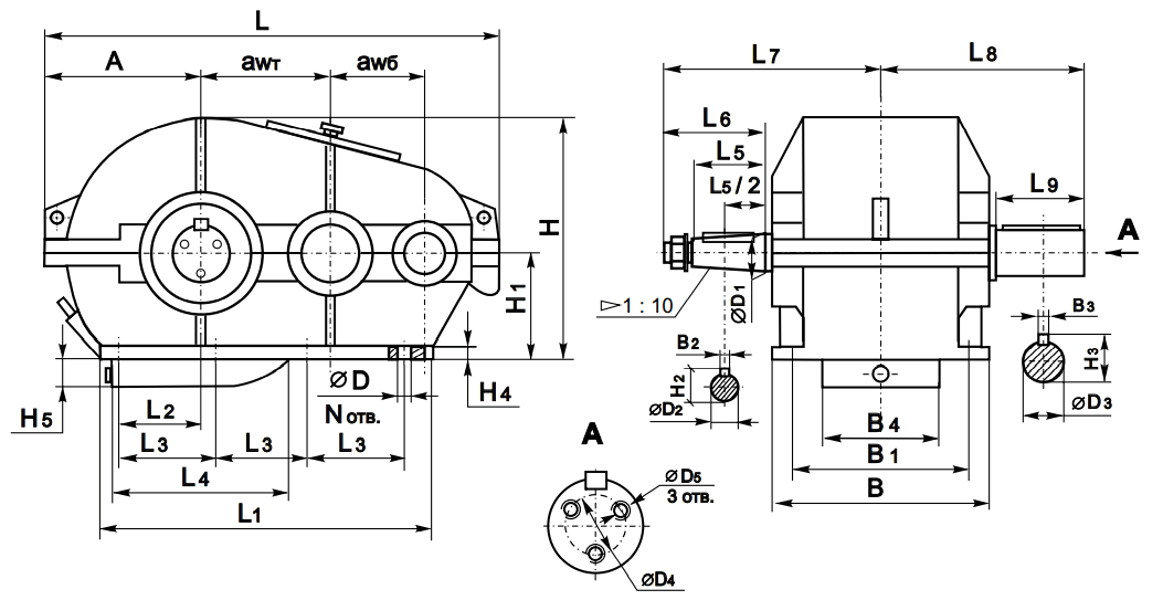
Типоразмер awб awт А L L1 L2 L3 L4 L5 L6 L7 L8 L9 N B B1 B2 B3
Ц2-650МРЗ 250 400 443 1270 910 190 260 460 105 140 480 510 200 8 560 470 18 36
Ц2-750МРЗ 300 450 494 1425 1040 225 300 565 130 170 570 595 240 650 560 20 40

 

Типоразмер B4 H H1 H2 H3 H4 H5 oD oD1 oD2 oD3 oD4 oD5
Ц2-650МРЗ 280 695 315 68,75 152 36 95 38 70 64,75 140m6 80 М12-7Н
Ц2-750МРЗ 320 780 355 78 184 40 100 45 80 73,5 170m6 105 М16-7Н

 

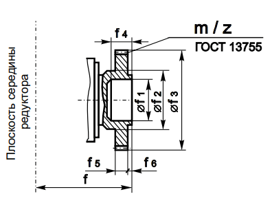
Размеры конического конца тихоходного вала

Типоразмер b1 b2 b3 b4 b5 ob6 ob7 b8 ob9
Ц2-650МРЗ 250 200 100 32 137 130 140 550 М100×4
Ц2-750МРЗ 300 240 120 36 164 158 170 645 М125×4

 

Размеры конца тихоходного вала в виде зубчатой полумуфты

Типоразмер f of1 of2 of3 f4 f5 f6 m z
Ц2-650МРЗ 410 160 200 420 70 50 15 10 40
Ц2-750МРЗ 480 200 290 504 90 60 20 12

 

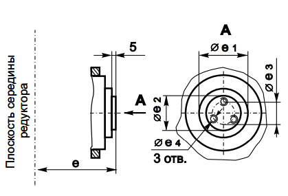
Размеры конца тихоходного вала для присоединения приборов и автоматики

Типоразмер e oe1 oe2 oe3 oe4
Ц2-650МРЗ 295 150 75 55 M8-7H
Ц2-750МРЗ 340 180

 

 

Назад
Выбор города