Ваш город:
Нижневартовск
Ваш город Нижневартовск?
Да Выбрать другой
Заказать звонок
Фильтр

Редукторы Ц3У и 1Ц3У 160 (200, 250)

Описание

Параметры Типоразмер 1Ц3У
1Ц3У 160 1Ц3У 200 1Ц3У 250
Номинальные передаточные числа 31,5; 40; 45; 50; 56; 63; 80; 100; 125; 160; 200
Номинальный крутящий момент на вых. Валу при работе редуктора в повторно-кратковременных режимах, Нм Непрерывный(Н)ПВ=100% 1250 2500 5000
Тяжелый (Т) ПВ=40% 1600 3150 6300
Средний (С) ПВ=25% 2000 4000 8000
Легкий (Л) ПВ=15% 2500 5000 10000
Допускаемая радиальная консольная нагрузка, приложения в середине посадочной части вала, Н входного Непрерывный(Н)ПВ=100% 1250 2500 5000
Тяжелый (Т) ПВ=40% 1600 3150 6300
Средний (С) ПВ=25% 2000 4000 8000
Легкий (Л) ПВ=15% 2500 5000 10000
выходного Непрерывный(Н)ПВ=100% 1250 2500 5000
Тяжелый (Т) ПВ=40% 1600 3150 6300
Средний (С) ПВ=25% 2000 4000 8000
Легкий (Л) ПВ=15% 2500 5000 10000
КПД, не менее 0,97
Масса, кг С чугунным корпусом 95 170 310

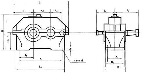
Габаритные и присоединительные размеры редукторов 1Ц3У

Тип aw3 aw2 aw1 L L1 l l1 l2 l3 H H1 A A1 d B B1 h1 h2
1Ц3У 160 160 100 80 630 530 195 136 160 224 345 170 475 140 24 206 195 24 28
1Ц3У 200 200 125 100 775 650 236 165 190 280 425 212 580 165 24 243 230 30
1Ц3У 250 250 160 125 950 825 290 212 236 335 530 265 750 218 28 290 280 32

 

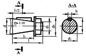
Размеры выходных и входных концов валов

 

Входные валы

Тип d d1 d3 d4 l l1 b t
1Ц3У 160 20 18,2 M12x1,25 40 60 42 5 24,9
1Ц3У 200 25 22,9 M16x1,5 45 80 58 5 29,1
1Ц3У-250 35 32,1 M20x1,5 50 110 82 10 38,9

Выходные валы

Тип d d1 d3 d4 l l1 b t
1Ц3У 160 55 50,9 M36x3,0 88 60 42 5 24,9
1Ц3У 200 70 64,75 M48x3,0 100 80 58 5 29,1
1Ц3У 250 90 83,50 M64x4,0 130 110 82 10 38,9

Варианты сборки редукторов Ц3У

Примерные обозначения при заказе продукции

1Ц3У-200-10-12-М-2-У2 ТУ2-056-243-86, где:

  • 1Ц3У – Тип редуктора;
  • 200 – Межосевое расстояние второй ступени;
  • 10- Номинальное передаточное число;
  • 12 – Вариант сборки;
  • М -Исполнение конца выходного вала в виде части зубчатой муфты;
  • 2 – Категория точности по ГОСТ Р50891-96;
  • У2 – Климатическое исполнение и категория размещения.
Назад
Выбор города